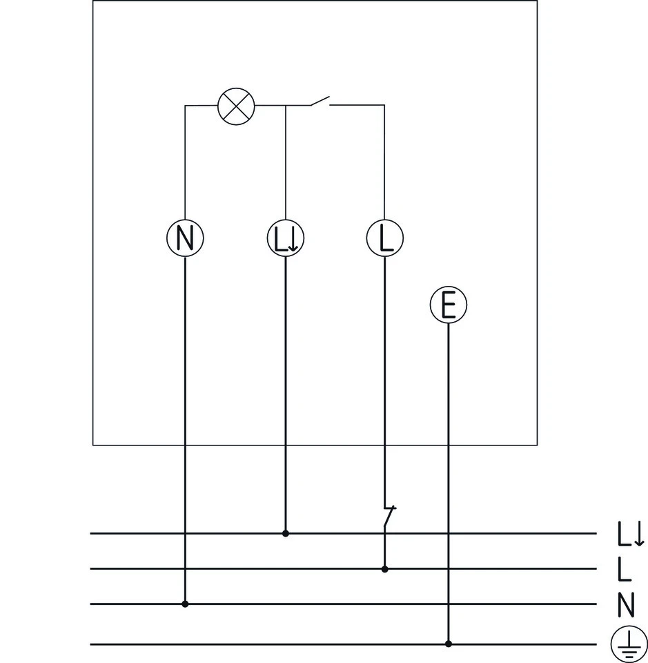
Der Theben theLeda S17-100BK LED Strahler überzeugt durch perfekte Ausleuchtung und den integrierten 180° Bewegungsmelder. Die Strahler sind horizontal um ± 20/45° drehbar und um 70° nach unten schwenkbar.
– LED-Strahler mit 17 W und integriertem Bewegungsmelder
– Wandmontage
– Zusätzlicher Ausgang zum Schalten von anderen Leuchten/Verbrauchern
– Für den Außenbereich geeignet
– Automatische Beleuchtungssteuerung in Abhängigkeit von Anwesenheit und Helligkeit
– Erfassungswinkel 180° bei 10 m Reichweite
– Bereichseingrenzung durch Aufkleber
– Manuelle Ansteuerung mittels Taster möglich
Spezifikationen
Betriebsspannung: 230 V AC
Frequenz: 50 Hz
Stand-by Leistung: ~0,5 W
Farbe: Schwarz
Schaltausgang: Licht
Montageart: Wandmontage
Einstellbereich Helligkeit: 2 – 500 lx
Leistung LED (Lichtstrom): 2 x 900 lm
Farbtemperatur: 4000 K, neutralweiß
Erfassungswinkel: 180°
Montagehöhe: 1,8 – 2,5 m
Nachlaufzeit Licht: 10 s-30 min
Glüh-/Halogenlampenlast: 500 W
LED-Lampe < 2 W: 20 W
LED-Lampe 2-8 W: 100 W
LED-Lampe > 8 W: 100 W
Umgebungstemperatur: -20°C … 55°C
Schutzklasse: II
Schutzart: IP 55
Dimensionen
Höhe: 160mm
Breite: 167mm
Tiefe: 50 mm
Installationshinweis gemäß § 13 NAV
Bitte beachten Sie, dass Geräte mit einem Anschlusswert von 230V je nach Leistungswert mit einem Schutzkontaktstecker oder einem Festanschluss (ohne Stecker) ausgeliefert werden. Sollte das Gerät über einen Festanschluss verfügen, so ist ein Fachbetrieb mit der Installation zu beauftragen.
Alle Geräte mit einem Anschlusswert ab 400V sind über einen geeigneten Starkstromanschluss zu betreiben und dürfen ausschließlich von einem Elektrofachmann angeschlossen werden.
Bei Geräten deren Nennleistung mehr als 12KW beträgt, wird eine Zustimmung Ihres Netzbetreibers erforderlich. Hierzu wenden Sie sich bitte vor der Installation an den Netzbetreiber oder an ein in das Installateurverzeichnis des Netzbetreibers eingetragenes Installationsunternehmen. Ein solches Installationsunternehmen ist Ihnen dabei behilflich die erforderliche Zustimmung des jeweiligen Netzbetreibers einzuholen.
:
:
:
:


























Rezensionen
Es gibt noch keine Rezensionen.